+7 (495) 162-62-90 с 09:00 до 18:00 по будням
Каретка для тали холостая
Каретка для тали холостая
Каретка для тали холостая (миниатюра)
Каретка для тали холостая (миниатюра)

Каретка для тали холостая

Холостые каретки для тали — это механизмы передвижения без привода, предназначенные для перемещения талей по монорельсовым балкам и крановым путям вручную.

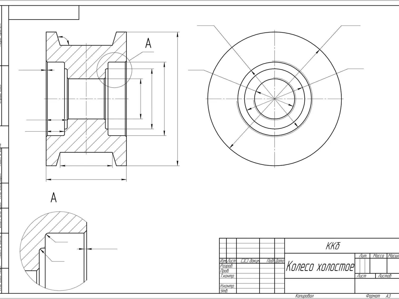
Спецификация

Работаем со всеми лизинговыми компаниями

Максимальная гибкость старта вашего проекта. Выберите лизинговую компанию с самыми комфортными для вас условиями. Мы наладим взаимодействие и обеспечим техническую часть сделки.

Нужна консультация?

Свяжитесь с нами любым удобным способом или оставьте свои контактные данные и мы вам перезвоним

+7 (495) 162-62-90 с 09:00 до 18:00 по будням

Описание

Холостые каретки для тали используются для перемещения грузоподъёмного механизма вдоль балки или монорельсового пути. Они устанавливаются совместно с электрическими или ручными талями и обеспечивают перемещение груза по горизонтальной плоскости вдоль рабочей зоны.

Конструкция холостой каретки включает металлическую раму, ходовые колёса и элементы крепления для установки тали. Колёса перемещаются по нижним полкам двутавровой балки или монорельсового пути, обеспечивая плавное и устойчивое движение грузоподъёмного механизма.

Перемещение каретки осуществляется вручную — за счёт приложения усилия к грузу или самой тали. Такая конструкция отличается простотой и надёжностью, а также не требует подключения к электрической сети.

Холостые каретки широко применяются в составе монорельсовых систем, консольных кранов, кран-балок и других типов грузоподъёмного оборудования.

Основные преимущества холостых кареток для тали:

  • простая и надёжная конструкция
  • отсутствие электрического привода
  • независимость от электроснабжения
  • компактность и удобство эксплуатации
  • длительный срок службы

Холостые каретки используются на производственных предприятиях, складах, ремонтных участках и в мастерских для перемещения грузов при небольшой интенсивности работы.

Компания «Проммаш» выполняет поставку холостых кареток для талей с различными параметрами грузоподъёмности и ширины балки. Оборудование подбирается с учётом типа тали и условий эксплуатации.

Также специалисты компании выполняют подбор оборудования и сервисное обслуживание элементов грузоподъёмных систем.

Как мы работаем

Как купить

Процесс покупки крана включает несколько этапов:

  • Оформите заказ (позвоните, оставьте заявку на обратный звонок или напишите нам на почту)
  • Заключите с нами договор (по итогу утверждения коммерческого предложения)
  • Оплатите согласно выставленному счету (оплата по безналичному расчету с учетом НДС — 20%)
  • Получите оборудование по адресу, указанному в договоре поставки, либо заберите готовый кран самовывозом

Сроки поставки

От 5 до 50 рабочих дней и более, зависит от:

  • Количества заказываемой продукции
  • Типа крана: опорный, подвесной, двухбалочный
  • Типа привода крана: ручной или электрический
  • Сложности крана (дополнительных опций)
  • Сроков поставки комплектующих и загруженности производства

Доставка

Доступные варианты доставки:

  • Самовывоз: отгрузка в заранее согласованный день и время. График работы склада: пн-пт с 9:00 до 16:00. При массе отгружаемых частей свыше 70 кг только автомобили с верхней загрузкой
  • Доставка собственным транспортом либо любой транспортной компанией (в зависимости от габаритов груза перевозка может осуществляться отдельной машиной или сборным грузом)

Монтаж

  • собственная монтажная бригада
  • квалифицированный специалист с разрешением на данный вид работы
  • гарантия на выполненные работы
  • адаптация к особенностям вашего объекта
  • оптимизация сроков и стоимости

Срок выполнения работ от 3 до 20 дней, зависит от:

  • сложности объекта
  • наличия техники на объекте
  • типа кранового оборудования

Гарантийное обслуживание

Стандартная гарантия на все поставляемое оборудование — не менее 12 месяцев* с даты поставки.

*Возможна расширенная гарантия до 5 лет в зависимости от типа оборудования, наличия нашего монтажа и нашего технического обслуживания. Информация о сроке и условиях гарантии указана в договоре. Срок службы кранов: стандартно изготовленные нами краны рассчитаны на срок эксплуатации не менее 20 лет.

К каждой единице оборудования прилагаются документы (по запросу может быть расширенный перечень документов):

  • паспорт;
  • инструкция по эксплуатации и монтажу;
  • комплект отгрузочных документов.
от 12 месяцев гарантии
Команда технического обслуживания ПРОММАШ